Nivel 1

1. Interruptor y lámpara

Circuito básico con pila de 9V y lámpara controlada por interruptor.

Símbolos Real
Descargar Circuito (.ckt)
Nivel 1

2. Interruptor y motor

Similar al anterior, sustituyendo la lámpara por un motor rotacional.

Símbolos Real
Descargar Circuito (.ckt)
Concepto

3 y 4. Serie vs Paralelo

Serie

La corriente sigue un solo camino. Si una falla, el circuito se abre.

Serie Descargar Serie

Paralelo

La alimentación se divide. Si una falla, las demás siguen funcionando.

Paralelo Descargar Paralelo
Nivel 2

5. Circuito mixto

Combinación de lámparas en serie y paralelo en un mismo circuito.

Símbolos Real
Descargar Circuito (.ckt)
Fuentes

6 y 7. Pilas en serie y paralelo

Pilas en Serie

Las tensiones se suman. Ideal para aumentar el voltaje total.

Pilas Serie Descargar Serie

Pilas en Paralelo

La tensión se mantiene igual, pero aumenta la capacidad total.

Pilas Paralelo Descargar Paralelo
Control

8. Interruptor SPDT

Uso de interruptores de un polo y dos tiros para alternar entre dos lámparas.

Símbolos Real
Descargar Circuito (.ckt)
Nivel 2

9. Inversión de polaridad (DPDT)

Uso de interruptores DPDT para invertir el giro de un motor.

Símbolos Real
Descargar Circuito (.ckt)
Reto

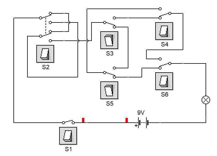
10. Laberinto de Conmutadores

¿Qué interruptores hay que pulsar para encender la lámpara?

Laberinto
Ver Solución

Activa: S1, S2 (abajo), S3 (arriba), S4 (abajo), S6 (arriba).

Descargar Circuito (.ckt)
Mecánica

11. Circuito de ruedas dentadas

La rueda dentada grande tiene 24 dientes y la pequeña 8. Si el motor gira a 100 rpm, ¿A cuántas revoluciones por minuto (rpm) gira la rueda pequeña?

Ejercicio Ruedas Dentadas
Ver Solución y Explicación

Respuesta: 300 rpm.

Explicación: La relación de transmisión es 24:8 (3 a 1). La rueda pequeña es 3 veces menor, por lo que gira 3 veces más rápido.

100 rpm * 3 = 300 rpm.

Descargar Crocodile Clips para probar